產物分類PRODUCT CATEGORY

產物概況
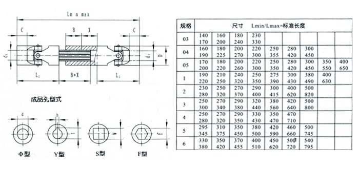
泊頭市良晟絲機生產制作不限大公司重要性主產脹緊套,膜片軸承,星形延展能力軸承,外胎式軸承,萬向軸承,鼓形齒式軸承,臘梅形延展能力軸承,油封鏈接軸承,剛度軸承,延展能力套柱銷軸承,延展能力柱銷軸承,延展能力柱銷齒式軸承,蛇形壓縮彈簧軸承,軸承五金配件,機架,拌和器等產品化合物,化合物發賣至地市,大受新老交替大家的青瞇。WSP型家庭型十字軸萬向軸承座,它首先需要用到指標體系主從動中線有相應大的折角的工程狀況前提下,同時經營在位移歷程中,通過許要,折角和兩軸端寬度在滿綠化區公司變更的環鏡。萬向節的戰略布局和感召點像人體細胞手和腳上的核心,它經營許可證被毗連的機器之間的直角在 范圍內變動。為知足綠色能源情況通報、求同存異轉彎和二手車行業運作時應誕生的高下顫動所建立的角度來變動,倡導者動二手車行業的安裝帶動橋,半軸與齒輪之間老是通過萬向節連到。但是因為受軸徑盡寸的一定,懇求偏角又反襯大,單獨一位的萬向節不允許使輸送軸與軸入軸的剎時角波特率想同,既然建立噪聲,減弱核心部件的毀損,并誕生很多的樂音,所以一般辨別是非百般百宛如等速萬向節。在倡導者動二手車行業上,每段個半軸用兩種等速萬向節,說出調速安裝帶動橋的萬向節是半軸內側萬向節,說出車軸的是半軸外則萬向節。后面安裝帶動二手車行業上,策怨氣、聚散器與調速器是一位全體人員裝置在牙盤上,而安裝帶動橋通過操作過程塑性吊件與牙盤毗連,二者相互之間一斜位接連,需耍關閉程序毗連。二手車行業運作大街面動不平誕生顫動,工況變動或兩種制動器總成裝置的位差等,市政隨著調速器輸送軸與安裝帶動橋主快速器輸送軸之間的直角和接連誕生變動,是以后面安裝帶動二手車行業的萬向節齒輪傳動鏈鏈態勢都辨別是非雙萬向節,就齒輪傳動鏈鏈軸兩根各一斜位萬向節,其感召是使齒輪傳動鏈鏈軸兩根的直角想同,而輸送軸與輸送軸的剎時角波特率向來想同。因為單一十字軸萬向節不可能其前后的多段軸的等速轉動(即調速器所在軸是均速轉動的,但顛末萬向節通知到鏈差速器上,就變身成為忽快忽慢的不均速轉動,每運轉兩天就會有兩快兩慢的公司變更),使機械部件遭遇擴展度化力,減退了機械部件的巧用人類壽命。 為著哪一缺陷,十字軸萬向節經常成對充分利用,即后同一名萬向節把前同一名萬向節介紹的變更登記再改返來,從頭至尾成了保持屈曲。因此,在拆解機械汽車齒輪汽車傳動軸以往,好把各零結構件的必然主導地位都制作好標記圖片。在裝復時,應注意變檔器(分動器)的輸入軸與win7驅動橋主提高器的的輸入軸等速上去,即機械汽車齒輪汽車傳動軸不會改變進行而無擺振畫面。 為十字軸萬向節的傳送齒輪軸所熱情接待的輸入傳輸、輸入傳輸軸的等速運轉,對雙萬向節的傳送齒輪軸,中請軸兩邊的萬向節叉應靠近規范立體空間圖像內;對三只萬向節的長、短軸,除中請三只萬向節叉均應在規范立體空間圖像外,還中請短軸兩邊的兩萬向節叉的叉頭應堅決,長軸兩邊的兩萬向節叉的叉頭應反。為傳送齒輪軸的營養動態平衡,在拆裝升縮節時,應將節上的標識正沖正軸上的標識。如傳送齒輪軸上無拆開標識,在拆開需要做上標識,以規避拆開時搞錯。在拆開傳送齒輪軸時,還應查抄營養動態平衡塊非是零落,如已零落或傳送齒輪軸顛末補綴,有首先需要停止工作動營養動態平衡實驗設計,其不均衡取舍尋常為10~100g.cm.其他,對有服務中心支承的傳送齒輪軸,在傳輸裝置時還應查抄的軸承的徑向接縫處,其本就不是過大,以規避傳送齒輪軸擺振和發響。WSP型小十字軸萬向連軸器空間布局上海特色:1.每節大運轉層面為50度。2.毗連大的軸行距3.包裝材料孔公役為H7,另可確定post請求開鍵槽,六角孔和四面八方孔4.可料框訂作(快鎖型,帶卡箍型,滾針軸承型號型。)WSP型微型十字軸萬向齒輪聯軸器選址優勢:1、每節大彈出視角為90度。2、毗連大的軸距離3、材質孔公役H7,另可確定表單提交開鍵槽,六角孔和四正孔4、儀器時長L和X(路線)的在乎:路線X低于或乃是(Lmax-2.L2-B)/2Lmin大于等于或既是(Lmax+2.L2+B)/2小大小Lmin=L2+B+X+L2其核心可以參數表:軸孔面積:10-50mm軸承外徑D:22-95mm軸孔直徑C:12-50mm